Zur Übersicht - INFO - Neueste 50 Beiträge - Neuer Beitrag - Suchen - Zum C-Control-I-Forum - Zum C-Control-II-Forum

Re: Eingang absichern Kategorie: CC-Pro Unit & Appl.Board (von Torsten - 21.07.2013 6:51)
Als Antwort auf Re: Eingang absichern von Achim - 18.07.2013 20:21
Ich nutze:
C-Control Pro Mega128
> > > hallo zusammen,
> > >
> > > ich habe mich mit dem MCP3424 I2C AD-wandler angefreundet.
> > > ich hatte das problem, das ich 0 - 0,2 V auflösen muss und das
> > > zwei Stellen nach dem Komma. die 18 bit auflösung ist echt g...
> > > eigentlich muss ich mA (0-20) messen, also habe ich einen 10 Ohm shunt quer auf
> > > jedem kanal und komme so auf die 0,2 v. alles klar und klappt.
> > >
> > > wenn jemand mal ein stückchen code braucht, wie man den anspricht..
> > > kann ich gerne geben.
> > >
> > > ich will da aber aus sicherheitsgründen noch optokoppler vorschalten und weiss
> > > zum verrecken nicht, welche ich da nehmen kann. also wie gesagt, ich habe da
> > > nur 0-0,2 volt zu messen.
> > >
> > > vielen dank schon mal
> > >
> > > achim
> > >
> > > datenblett vom 3424. gibts auch als 2 und 3 kanalversion
> > > http://cdn.shopify.com/s/files/1/0038/9582/files/MCP3424.pdf?1268705291
> >
> > Hallo Achim,
> >
> > da ich selbst viel Messe währe ich an deinen
> > Erfahrungen und natürlich auch Code mit dem
> > "MCP342?" sehr interessiert. Warum verwendest
> > du einen 10-Ohm Wiederstand zu Umsetztung von
> > 0-20mA? (4V / 0.02A = 200-Ohm).
> > Ein Phototransistor dürfte dir die Umsetzung
> > des Me�signal verfälschen. Ich würde mich hier
> > auf die Quelle des Signals konzentrieren um
> > die Störsicherheit zu erhöhen.
> >
> > GruÃ? Torsten
>
>
> hi torsten,
>
> ich kenne die quellen nicht immer, da analysatoren verschiedenster
> hersteller angeschlossen werden. zudem wird mein messsystem auch in fremde kreise eingeschliffen
> um diese auch zu messen. deshalb der kleine widerstand. um die bürde in fremden
> kreisen nicht einbrechen zu lassen. die eigenen analys. sind meist ok.
>
> die ref-spannung beim mcp3424 ist 2.048 v. mit 10 ohm komme ich da bei 20 mA auf 0,2 V. 0.02A*10 Ohm.
> ist also noch günstiger in der auflösung. die mA müssen noch zwei nachkommastellen haben.
> 2 hoch 16 sind 65000 irgendwas /10 wegen nur 0,2 V sind 6500. 20 / 6500 sind 0,003 mA.
> also kriege ich das noch mit 16 bit hin. ich hoffe ich liege da richtig.
>
> ich suche seit heute noch einen umrechnungsfehler von den gelesenen bytes. dann poste ich das mal.
> ist aber nicht kompliziert, wenn man das umfangreiche datenblatt durchliest und nicht wie ich
> zwei tage ne falsche adresse anbeame. würg.
>
> ich will die eingänge irgendwie absichern, aber weiss nicht genau wie. im moment ist da nur
> der 10 ohm widerstand quer.
>
> danke erstmal...
>
> achim

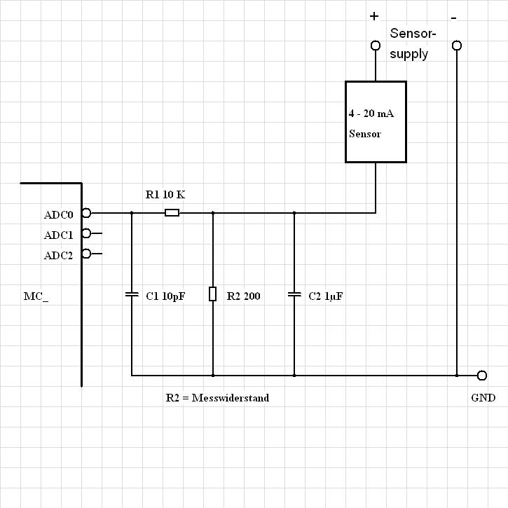
Hallo Achim,

mit der Schaltung unten habe ich gute
Erfahrungen beim AnschluÃ? von 4-20mA Sensoren
an die AD-Eingänge des Mikrokontrolles gemacht.
Vieleicht hilft dir auch der Code unter
"Module/Lib/SensorBox-0.01/4-20mALib/" für
die Umrechnug weiter.

GruÃ? Torsten
4-20mA.jpg:





    Antwort schreiben


Antworten:

Re: Eingang absichern (von achim - 24.07.2013 9:38)
    Re: Eingang absichern (von Torsten - 28.07.2013 9:08)
        Re: Eingang absichern (von achim - 29.07.2013 10:09)